NAREDBA O OBAVEZNOM ATESTIRANJU PROFILISANIH GUMENIH ZAPTIVNIH TRAKA ZA VRATA, KAPKE I POKRETNE PREGRADE SKLONIŠTA I DVONAMENSKIH OBJEKATA SA HERMETIČNIM ZATVARANJEM KRILA("Sl. list SFRJ", br. 35/86) |
1. Obaveznom atestiranju podleže profilisane gumene zaptivne trake za vrata, kapke i pokretne pregrade skloništa i dvonamenskih objekata sa hermetičnim zatvaranjem krila (u daljem tekstu: sredstva za zatvaranje).
2. Postupak atestiranja profilisanih gumenih zaptivnih traka (u daljem tekstu: zaptivne trake) za vrata, kapke i pokretne pregrade skloništa i dvonamenskih objekata sa hermetičkim zatvaranjem krila sprovodi se za zaptivne trake iz domaće proizvodnje tako što se atestira tip zaptivne trake po svakoj proizvedenoj partiji i za zaptivne trake iz uvoza, tako što se atestira tip zaptivne trake po svakoj uvezenoj partiji.
Pod tipom zaptivne trake, u smislu ove naredbe, podrazumeva se zaptivna traka istog proizvođača, istog sastava, proizvedena istim tehnološkim postupkom i istog konstrukcionog rešenja.
Dva osnovna tipa zaptivne trake su:
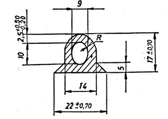
1) tip PH (slika 1) - za sredstva za zatvaranje koja su otporna na pritisak i koja se hermetički zatvaraju;
2) tip H (slika 2) - za sredstva za zatvaranje koja se hermetički zatvaraju.
Pod proizvedenom partijom, u smislu ove naredbe, podrazumeva se količina zaptivne trake proizvedena od iste sirovinske smese i pod istim tehnološkim uslovima, u procesu koji ne sme da bude prekinut duže od sedam dana (ili sa prekidima koji ne smeju da budu duži od sedam dana).
3. Ispitivanju radi obaveznog atestiranja podleže sledeće karakteristike kvaliteta zaptivnih traka, i to:
1) oblik i mere;
2) tvrdoća;
3) prekidna čvrstoća i izduženje pri kidanju;
4) trajna deformacija sabijanjem na određenu visinu;
5) trajna deformacija pri određenom opterećenju;
6) otpornost prema ozonu;
7) krtost na niskim temperaturama;
8) otpornost prema visokim temperaturama;
9) otpornost prema gorenju;
10) dozvoljene promene nakon veštačkog starenja.
4. Karakteristike kvaliteta zaptivnih traka iz tačke 3. ove naredbe utvrđene su u tabeli 1:
Tabela 1
Karakteristika kvaliteta |
Jedinica mere |
Dozvoljena vrednost |
Epruvete za ispitivanje |
|
1 |
2 |
3 |
4 |
|
1. |
Oblik i mere |
mm |
prema slici 1 i |
iz proizvoda |
2. |
Tvrdoća |
ShA |
50 ± 5 |
iz proizvoda |
3. |
Zatezna svojstva, i to: |
|
|
|
a) prekidna čvrstoća |
MPa |
> 10 |
iz proizvoda |
|
b) izduženje pri kidanju |
% |
> 350 |
iz proizvoda |
|
4. |
Trajna deformacija sabijanjem na određenu visinu, 24 h na 100 °C i to: |
|
|
|
a) sabijanjem za 25 % |
% |
< 30 |
iz proizvoda |
|
b) sabijanjem za 5 mm |
% |
< 15 |
deo proizvoda sa celim profilom iz proizvoda |
|
5. |
Trajna deformacija pri određenom opterećenju, 24 h na 100 °C |
% |
< 50 |
|
6. |
Otpornost prema ozonu, 50 x 10-8 (50 pphm) ozona po zapremini, pri izduženju 12,5 %, 70 h na 40 °C |
- |
bez prskotina |
deo proizvoda sa celim profilom |
7. |
Krtost na niskim temperaturama, 1 h (u gasovitoj materiji) ili 3 min (u tečnoj materiji), pri temperaturi od -25 °C |
- |
bez oštećenja |
iz proizvoda |
8. |
Otpornost prema visokim temperaturama, na 200 °C, u trajanju od 90 min |
mm |
bez promena mera, |
deo proizvoda sa celim profilom tipa"H" |
9. |
Otpornost prema gorenju, kiseonični indeks (LOI) |
% |
> 30 |
iz proizvoda |
10. |
Dozvoljene promene posle veštačkog starenja, u trajanju od 7 dana, na 100 °C: |
|
|
|
a) tvrdoća |
ShA |
najviše +5 |
iz proizvoda |
|
b) prekidna čvrstoća |
% |
najviše -15 |
iz proizvoda |
|
v) izduženje pri kidanju |
% |
najviše -20 |
iz proizvoda |
|
Tip profila PH |
Tip profila H |
|
|
Slika 1. |
Slika 2. |
Dozvoljena odstupanja mera koja nisu naznačena na slici određena su jugoslovenskim standardom JUS G.A1.100 - Guma. Dozvoljena odstupanja mera presovanih i brizganih proizvoda, tabela 2, klasa E2.
5. Karakteristike kvaliteta zaptivnih traka iz tačke 4. ove naredbe ispituju se, i to:
1) oblik i mere proveravaju se mikrometrom čija pritisna stopa deluje pritiskom od 22 ± 5 kPa ili pogodnim mernim instrumentom, ili šablonima pogodnim za merenje donjih i gornjih granica tolerancije;
2) tvrdoća, prema jugoslovenskom standardu JUS. G.S2.125 - Fizikalna ispitivanja gume. Određivanje tvrdoće vulkanizirane prirodne ili sintetičke gume. Propisana debljina epruvete ostvaruje se iz dva sloja;
3) prekidna čvrstoća i izduženje pri kidanju, prema jugoslovenskom standardu JUS G.S2.127 - Guma. Određivanje zateznih svojstava. Epruveta je oblika trake, tipa 2;
4) trajna deformacija sabijanjem na određenu visinu, i to:
a) sabijanjem za 25% od prvobitne visine epruvete, na način propisan jugoslovenskim standardom JUS G.S2.130 - Fizikalna ispitivanja gume. Određivanje trajne deformacije sabijanjem na određenu visinu. Propisana visina "male" epruvete ostvaruje se iz dva sloja;
b) sabijanjem za 5 mm prvobitne visine čitavog profila gotovog proizvoda dužine 150 mm, koji se ugrađuje u odgovarajuću čeličnu stegu čije mere i oblik odgovaraju merama i obliku žljeba na sredstvu za zatvaranje u koje se zaptivna traka ugrađuje. Uzorak se tako sabijen drži 24±02 h na temperaturi od 100 ± 2 °C, a uslovi ispitivanja moraju da budu u skladu sa jugoslovenskim standardom JUS G.S2.130. Veličina uređaja za ispitivanje mora da odgovara veličini uzorka i veličini čelične stege;
5) trajna deformacija pri određenom opterećenju, prema jugoslovenskom standardu JUS G.S2.134 - Fizikalna ispitivanja gume. Određivanje trajne deformacije dejstvom određenog opterećenja. Ispitivanje se vrši malim epruvetama, a debljina epruvete ostvaruje se iz dva sloja;
6) otpornost prema ozonu, prema jugoslovenskom standardu JUS G.S2.140 - Gumena i plastična creva. Određivanje otpornosti prema ozonu. Statično ispitivanje.
Ispitivanje se vrši metodom 1;
7) krtost na niskim temperaturama, prema jugoslovenskom standardu - JUS G.S2.137 - Fizikalna ispitivanja gume. Ispitivanje krtosti udarom na niskim temperaturama.
Ispitivanje se vrši na temperaturi od -25 °C, na pet epruveta tipa A, debljine 2 mm ± 0,2 mm;
8) otpornost prema visokim temperaturama ispituje se na gotovom proizvodu, tako što se uzorak drži u peći 90 min na temperaturi od 200 °C. Posle hlađenja uzorka na standardnu temperaturu od 23 ± 2°C vrši se kontrola oblika i mera prema odredbi pod 1 ove tačke. Dužina epruvete je 50 mm;
9) otpornost prema gorenju, prema jugoslovenskom standardu JUS Z.C8.023 - Ispitivanje zapaljivosti plastičnih masa i gume. Ispitivanje zapaljivosti određivanjem indeksa kiseonika.
Ispitivanje se vrši na 15 epruveta čije su dimenzije 2 mm x 6,5 mm x 100 mm;
10) dozvoljene promene posle veštačkog starenja, prema jugoslovenskom standardu JUS G.S2.126 - Fizikalna ispitivanja gume. Veštačko starenje gume.
Sva ispitivanja iz tačke 5. ove naredbe vrše se najmanje 72 h posle vulkanizacije. Epruvete se pre ispitivanja moraju držati na temperaturi od 23 °C ± 2 °C, pri relativnoj vlažnosti vazduha od 50 % ± 5 %, najmanje 4 h.
6. Organizacija udruženog rada, uz zahtev za obavljanje poslova obaveznog atestiranja koji podnosi organizaciji udruženog rada ovlašćenoj za atestiranje (u daljem tekstu: ovlašćena organizacija), najmanje 15 dana pre početka proizvodnje partije, dostavlja sledeće podatke i dokumentaciju:
1) firmu, odnosno naziv i sedište organizacije udruženog rada;
2) tehničku dokumentaciju koja sadrži:
a) konstrukcione karakteristike;
b) mehaničke osobine i sastav gumene smese;
v) kratak opis tehnologije izrade;
3) uputstvo o ugrađivanju i održavanju;
4) prikaz detalja zaptivne trake ugrađene u sredstvo za zatvaranje.
Ako u toku proizvodnje dođe do prekida dužeg od sedam dana, proizvedena količina posle takvog prekida smatra se drugom partijom i zahtev za atestiranje mora da bude obnovljen.
7. Uzorci za ispitivanje za svaki tip zaptivne trake uzimaju se na taj način što se na svakih 500 m proizvedene, odnosno uvezene partije uzima po jedan uzorak dužine 4 m.
Ako je proizvedena, odnosno uvezena partija manja od 500 m, uzima se takođe jedan uzorak iste dužine.
Uzorke iz proizvedene, odnosno uvezene količine zaptivne trake bira ovlašćena organizacija za atestiranje, kod proizvođača, odnosno na skladištu uvoznika.
Epruvete za ispitivanje iseca iz uzorka ovlašćena organizacija za atestiranje. Broj epruveta po uzorku za sve vrste ispitivanja iznosi najmanje tri, ako nije drukčije određeno tačkom 5. ove naredbe.
O uzimanju uzoraka sastavlja se zapisnik, koji sadrži podatke o nazivu proizvođača, odnosno uvoznika, nazivu i tipu proizvoda, mestu i datumu uzimanja uzoraka i uočenim greškama. Zapisnik potpisuju predstavnici proizvođača odnosno uvoznika i organizacije ovlašćene za atestiranje. Organizacija ovlašćena za atestiranje dužna je da čuva uzorke, odnosno epruvete godinu dana.
8. Izveštaj o ispitivanju zaptivnih traka, pored podataka o karakteristikama kvaliteta utvrđenih ispitivanjima prema tački 5. ove naredbe, sadrži sledeće podatke, i to:
1) izveštaj o ispitivanju zaptivnih traka iz domaće proizvodnje:
a) mesto, datum i broj zapisnika o uzimanju uzoraka;
b) podatke o proizvedenoj partiji, i to:
- datum početka proizvodnje;
- osnovne podatke o šarži;
- podatke o količini proizvedene, odnosno ispitane partije;
v) zaključak, sa obrazloženjem, o izdavanju atesta ili odbijanju izdavanja atesta;
g) firmu, odnosno naziv i sedište, kao i šifru ovlašćene organizacije, mesto, datum, potpis ovlašćenog lica i otisak pečata;
2) izveštaj o ispitivanju zaptivnih traka iz uvoza, pored podataka iz odredbe pod 1. ove tačke, sadrži i sledeće podatke:
a) zemlju porekla;
b) firmu, odnosno naziv i sedište uvoznika, odnosno zastupnika strane firme;
v) broj i datum ugovora;
g) broj i datum fakture;
d) mesto i datum prispeća;
đ) količinu isporuke, odnosno partije.
9. Za zaptivne trake za koje se ispitivanjem utvrdi da ispunjavaju propisane uslove, organizacija ovlašćena za atestiranje izdaje atest uz koji prilaže izveštaj o ispitivanju.
Atest sa priloženim izveštajem o ispitivanju izdaje se u tri primerka, od kojih se jedan dostavlja podnosiocu zahteva za atestiranje, jedan Saveznom zavodu za standardizaciju, a jedan zadržava organizacija udruženog rada koja je izvršila atestiranje.
Smatra se da je zaptivna traka iz tačke 1. ove naredbe snabdevena važećim atestom ako je stavljena u promet najviše jednu godinu posle dana izdavanja atesta.
10. Zaptivnu traku za koju je izdat atest, proizvođač - ako je u pitanju domaći proizvod, odnosno uvoznik - ako je u pitanju uvozni proizvod, označava atestnim znakom. Atestni znak se nanosi na svako pakovanje, posebno izrađenim žigom.
Izgled atestnog znaka utvrđen je Naredbom o izgledu i upotrebi atestnog znaka ("Službeni list SFRJ", br. 4/79 i 31/81), a veličina "V" iz tačke 4. te naredbe mora da iznosi najmanje 50 mm.
Atestni znak sadrži i dve slovne i dve brojne oznake. Slovne oznake se odnose na grupu i podgrupu jugoslovenskih standarda (GS), a brojne oznake su šifre organizacija ovlašćenih za atestiranje.
Pored atestnog znaka, proizvođač, odnosno uvoznik mora na svakom pakovanju da naznači i broj atesta i količinu atestirane partije.
Na kraju zaptivne trake nanosi se oznaka sa: nazivom proizvođača, mesecom i godinom proizvodnje, tipom profila (PH, ili H) i šifrom ovlašćene organizacije koja vrši atestiranje (npr. GS 01). Ova oznaka nanosi se otiskom pečata bele boje tako da međusobno odstojanje susednih oznaka duž zaptivne trake bude najviše 2 m.
11. Za atestiranje zaptivnih traka iz tačke 1. ove naredbe Savezni zavod za standardizaciju može ovlastiti organizaciju udruženog rada koja u pogledu opremljenosti i stručne kvalifikacije kadrova ispunjava sledeće uslove:
a) raspolaže sledećom opremom:
1) uređajem za rezanje epruveta iz gotovog proizvoda;
2) mikrometrom ili optičkim mernim instrumentom sa tačnošću merenja 0,01 mm, odnosno šablonima za merenje donjih i gornjih granica tolerancija mera profila;
3) aparatom za ispitivanje tvrdoće gume;
4) mašinom za ispitivanje zateznih svojstava;
5) uređajem za ispitivanje trajne deformacije sabijanjem na određenu visinu;
6) uređajem za ispitivanje trajne deformacije pri određenom opterećenju, sa mikrometrom za merenje visine profila tačnosti 0,01 mm, uređajem za opterećenje tačnosti ± 1 % i sušnicom;
7) uređajem za ispitivanje otpornosti prema dejstvu ozona;
8) komorom za veštačko starenje gume, sa mogućnošću regulisanja i merenja temperature sa tačnošću od ± 1 °C i sa mogućnošću izmene vazduha od 3 do 10 puta na sat;
9) uređajem za ispitivanje krtosti na niskim temperaturama, sa mogućnošću kontrolisanog hlađenja, s tačnošću podešavanja i merenja temperature od ± 1 °C za gasovite sredine i ± 0,5 °C za rashladne tečnosti;
10) uređajem za merenje otpornosti prema visokim temperaturama, sa tačnošću od ± 1 °C;
11) uređajem za ispitivanje otpornosti prema gorenju pomoću određivanja kiseoničnog indeksa;
b) ima radnike za poslove atestiranja koji imaju sledeće stručne kvalifikacije:
1) visoku stručnu spremu tehničkog smera ili hemijsko-tehnološkog smera, sa najmanje pet godina radnog iskustva na poslovima ispitivanja gume ili plastičnih masa - ako je u pitanju radnik koji rukovodi ispitivanjem;
2) srednju stručnu spremu tehničkog ili hemijsko-tehnološkog smera, sa najmanje pet godina radnog iskustva na poslovima ispitivanja gumenih ili plastičnih proizvoda - ako su u pitanju radnici koji vrše ispitivanje.
12. Organizacija udruženog rada ovlašćena za atestiranje dužna je da izvrši atestiranje u roku od 45 dana od dana prijema zahteva.
13. Ova naredba stupa na snagu po isteku šest meseci od dana objavljivanja u "Službenom listu SFRJ".











